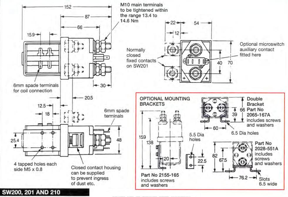
SW201直流接触器
产品介绍
Product introduction
	
	 
		SW201设计用于直流负载,包括用于电动车辆(如工业卡车)的电机。SW201专为中断和不间断负载而开发,适用于切换电阻,电容和电感负载。SW201采用单刀双掷,双断主触头,银合金尖端,耐焊接,耐磨,导电性能优良。SW201具有M10螺柱主端子和6.3mm铲形线圈连接。它可以通过M5螺纹孔或安装支架安装 - 可以提供安装,也可以作为单独的项目安装。安装可以是水平或垂直,垂直时M10接触螺柱应朝上。如果要求是向下定向,我们可以调整接触器以补偿这一点。请注意,常闭触点不适合制造和断开负载。
            
            
            
            



