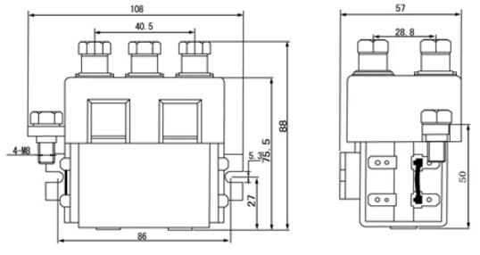
QCC25C-100A/22
           
                
             
            
         
        
            型号:QCC25C-100A/22直流接触器
            
                
                - 
                    线圈额定电压(V)
                    
                        
12-72V
                    
                   
                
                - 
                    主触点额定电流(A)
                    
                        
100A
                    
                   
                            
            
            
            
                 联系电话:021-55560736
            
            
         
        
     
 
    
        
            产品介绍
            Product introduction
         
        
     
 
    
    
        
        
            
                
                    - 邮  箱:cnhgq@foxmail.com 邮  编:201206
 
                    - 厂  址:上海市曹路钦塘工业园钦塘东南1号 销售地址:上海浦东新区外高桥华申路150号2幢
 
                    - © Copyright JOSEF Inc. All rights reserved.沪ICP备08020013号