GSZ8-150J直流接触器

您的位置 : 网站首页 > 产品中心 > 主触头一常开直流接触器系列 > GSZ8-150J直流接触器
GSZ8-150J
GSZ8-150J
  • GSZ8-150J
型号:GSZ8-150J直流接触器
  • 线圈额定电压(V)

    24V

  • 主触点额定电流(A)

    150A

联系电话:021-55560736
ZJ-50D直流接触器

产品介绍

Product introduction

产品用途
型号含义
简要技术数据
线路原理图
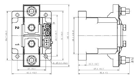
外形尺寸图
GSZ8-150J直流接触器
  • 邮  箱:cnhgq@foxmail.com 邮  编:201206
  • 厂  址:上海市曹路钦塘工业园钦塘东南1号 销售地址:上海浦东新区外高桥华申路150号2幢
  • © Copyright JOSEF Inc. All rights reserved.沪ICP备08020013号